Envoyez-nous un email
Des produits
Électrovanne vapeur 2L 2 voies
  • Électrovanne vapeur 2L 2 voiesÉlectrovanne vapeur 2L 2 voies

Électrovanne vapeur 2L 2 voies

En tant que fabricant professionnel, OLK souhaite vous fournir une électrovanne vapeur 2 L à 2 voies. Et OLK vous offrira le meilleur service après-vente et une livraison rapide.

Cette électrovanne vapeur 2 L à 2 voies à commande pilote est fabriquée en laiton de haute qualité avec une surface lisse et durable. Il dispose d'une couche d'isolation en plastique pour protéger la bobine et d'une entrée et d'une sortie clairement marquées pour une installation facile. Les interfaces standard rendent l'assemblage rapide et pratique.


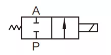
L'électrovanne vapeur OLK 2L 2 voies est de type piloté. Il utilise une pression moyenne et une structure pilote pour ouvrir la vanne principale. Cela fonctionne mieux avec une différence de pression de ≥0,2 à 0,3 MPa. Il prend en charge un débit élevé, une faible consommation d’énergie et des canalisations de grand diamètre. La vanne est fiable, à action rapide et durable pour un fonctionnement continu.

Applications de l'électrovanne à vapeur en laiton série 2L :

Largement utilisé dans l'approvisionnement en eau industrielle, les grands systèmes de traitement de l'eau, la circulation de refroidissement, l'eau d'alimentation des chaudières et d'autres systèmes industriels à haut débit.

Remarques importantes :

Installer avec la bobine tournée vers le haut et le corps de la vanne horizontal ; éviter une installation verticale.

Ne pas utiliser avec des liquides qui :

Passage de liquide à solide après refroidissement

Pilotage opérationnel

Caractéristiques de l'électrovanne vapeur 2L à 2 voies :

Conception pilotée pour un débit élevé et une faible consommation d'énergie

Corps en laiton durable résistant à la corrosion

Une couche d'isolation en plastique protège la bobine

Interfaces standard et marquages ​​clairs du sens d'écoulement pour une installation facile

Convient à la vapeur, à l'air et à l'eau propre


Symbole:

Modèle

2L170-10

2L170-15

2L170-20

2L200-25

2L350-35

2L400-40

2L500-50

Médias

Air, Eau, Vapeur

 

Type d'opération

Pilotage opérationnel

Structure

Normalement fermé

Diamètre de l'orifice (Φmm)

17mm

22mm

30mm

Valeur du CV

4.8

12

20

Taille du port

3/8"

1/2"

3/4"

1"

1 1/4"

1 1/2"

2"

Viscosité du fluide

≤20CST

Plage de pression de fonctionnement

 0 ~ 1,5MPa

Pression de preuve

2,25MPa

Température de fonctionnement

-5 ~ 80 ℃

Plage de tension

±10%

Matériau du corps

 Laiton

Matériau du joint

PTFE

 

Code de commande

2L

170

-

15

AC110V

E

Modèle

Taille de l'orifice (mm)

 

Taille du port

Tension

Matériau du joint

2W : 2 positions, 2 voies , type vapeur

170:17mm

 

10:3/8

DC12

Vierge : NBR


200:22mm

 

15:1/2

DC24

E:EPDM (pour la vapeur)


170:17mm

 

20:3/4

AC24V 50HZ/60HZ

Applications de l'électrovanne à vapeur en laiton série 2L :

 

500:50 mm

 

25:1

AC110V 50HZ/60HZ

 

 

 

 

35:1 1/4''

AC220V 50HZ/60HZ

 

 

 

 

40:1 1/2''

AC380V 50HZ/60HZ

 

 

 

 

50:2''

 



FAQ :

Q : Quelle est la différence entre l'électrovanne 2W et 2L ?

A : 2 W à action directe, adapté aux pressions faibles, moyennes et de gaz. Réactif, avec des débits faibles à modérés.

Grand débit de 2 L, de type leader, spécialement conçu pour les systèmes d'eau à haut débit, entraîné par différence de pression, avec une plus grande capacité de débit.


Q : Quelles sont les caractéristiques du fluide utilisé dans les électrovannes 2L ?

R : l’électrovanne de 2 L peut utiliser de la vapeur


Balises actives: Électrovanne vapeur 2L 2 voies, Chine, fabricant, fournisseur, usine
envoyer une demande
Informations de contact
Bienvenue sur notre site! Pour toute demande concernant nos produits ou notre liste de prix, veuillez nous laisser votre e-mail et nous vous contacterons dans les 24 heures.
E-mail
cici@olkptc.com
Mobile
+86-13736765213
Adresse
Route Zhengtai, zone industrielle de Xinguang, Liushi, Yueqing, Wenzhou, Zhejiang, Chine.
X
Nous utilisons des cookies pour vous offrir une meilleure expérience de navigation, analyser le trafic du site et personnaliser le contenu. En utilisant ce site, vous acceptez notre utilisation des cookies. politique de confidentialité
Rejeter Accepter