Envoyez-nous un email
Des produits
Vanne à bascule pneumatique TAC
  • Vanne à bascule pneumatique TACVanne à bascule pneumatique TAC

Vanne à bascule pneumatique TAC

En tant que fabricant professionnel, OLK souhaite vous fournir une vanne à bascule pneumatique TAC. Et OLK vous offrira le meilleur service après-vente et une livraison rapide.

La vanne à bascule pneumatique TAC (également connue sous le nom de vanne de commutation) est un composant de commutation de précision spécialement conçu pour les systèmes pneumatiques et le contrôle des fluides. Grâce à sa structure de contrôle unique de type bascule, il permet une commutation rapide et un contrôle précis des chemins de fluide.

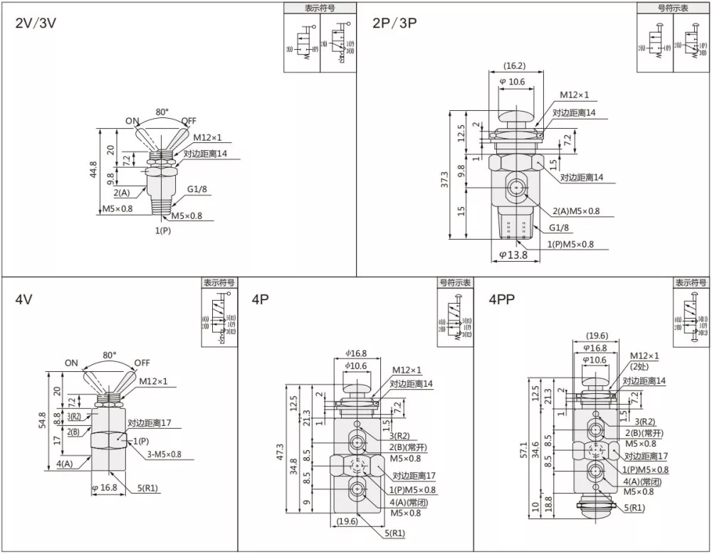
La vanne à bascule de la série TAC a 2 positions 2 voies, 2 positions 3 voies et 2 positions 5 voies au choix. Différents types de levier et deux types de filetage : M5, G1/8.

Scénarios d'application

Équipement d'automatisation industrielle, transformation mécanique, transformation des matériaux de construction, énergie et mines, industrie agroalimentaire, équipement médical, etc.

Caractéristiques du produit

Il est de petite taille, nécessite peu d'espace d'installation et est intuitif à utiliser manuellement, ce qui le rend adapté aux scénarios nécessitant des commutations fréquentes.

Symbole et contour de la vanne à bascule TAC

Code de commande

TAC

2

__

2

P

 

 

 

 

 

Vanne à bascule série TAC

 

 

2:2position 2 voies (M5)

P : type de bouton push-pull

 

 

 

3:2 positions 3 voies (M5)

V : type de levier manuel

 

 

 

4:2 position 5 voies (M5)

PP : Double bouton-poussoir

 

 

 

31:2 position 3 voies (G1/8)

 

 

 

 

41:2 position 5 voies (G1/8)

 

 

Modèle

Taille du port

 

Nombre
de poste

Efficace  
surface transversale

Plage de pression

Fluide de travail

Ambiant
Température

 

TAC-2V

Entrée=Sortie=M5   

2 positions, 2 voies

1,9 mm²

0,05 ~ 0,9PPA

Air

0~60

TAC-2P

Entrée=Sortie=M5   

2 positions, 2 voies

1,9 mm²

Tac-3V

Entrée=Sortie=M5   

2 positions 3 voies

1,9 mm²

Tac-3p

Entrée=Sortie=M5   

2 positions 3 voies

1,9 mm²

Tac-4V

Entrée=Sortie=M5   

2 positions, 5 voies

1,9 mm²

TAC-4P

Entrée=Sortie=M5   

2 positions, 5 voies

1,9 mm²

4PP

G1/8

 

2 positions, 5 voies

4,5 mm²

TAC2-31V

Entrée = Sortie = Échappement = G1/8   

2 positions 3 voies

4,5 mm²

TAC2-31P

Entrée = Sortie = Échappement = G1/8   

2 positions 3 voies

4,5 mm²

TAC2-41V

Entrée=Sortie=G1/8   Échappement=M5

2 positions, 5 voies

4,5 mm²

TAC2-41P

Entrée=Sortie=G1/8   Échappement=M5

2 positions, 5 voies

4,5 mm²

TAC2-41PP

Entrée=Sortie=G1/8   Échappement=M5

2 positions, 5 voies

4,5 mm²

FAQ :

Quelle est la différence entre une vanne à bascule et une vanne mécanique ?

On peut distinguer la vanne à bascule et la vanne mécanique par type de commande : la vanne à bascule est de type à levier épinglé, la vanne mécanique est de type bouton-poussoir ou de type à rouleau.

 

Quelle est la différence entre la vanne à bascule et les autres vannes ?

Contrôle précis : les vannes à bascule permettent une régulation fine du débit grâce à un noyau de vanne conique, adapté à un contrôle précis dans les canalisations de petit diamètre, tandis que les vannes à bille sont plus adaptées aux opérations d'ouverture et de fermeture rapides.

Balises actives: Vanne à bascule pneumatique TAC, Chine, fabricant, fournisseur, usine
envoyer une demande
Informations de contact
Bienvenue sur notre site! Pour toute demande concernant nos produits ou notre liste de prix, veuillez nous laisser votre e-mail et nous vous contacterons dans les 24 heures.
E-mail
cici@olkptc.com
Mobile
+86-13736765213
Adresse
Route Zhengtai, zone industrielle de Xinguang, Liushi, Yueqing, Wenzhou, Zhejiang, Chine.
X
Nous utilisons des cookies pour vous offrir une meilleure expérience de navigation, analyser le trafic du site et personnaliser le contenu. En utilisant ce site, vous acceptez notre utilisation des cookies. politique de confidentialité
Rejeter Accepter