Envoyez-nous un email
Des produits
Électrovanne à vide VU07 3 voies
  • Électrovanne à vide VU07 3 voiesÉlectrovanne à vide VU07 3 voies
  • Électrovanne à vide VU07 3 voiesÉlectrovanne à vide VU07 3 voies
  • Électrovanne à vide VU07 3 voiesÉlectrovanne à vide VU07 3 voies

Électrovanne à vide VU07 3 voies

En tant que fabricant professionnel, OLK souhaite vous fournir une électrovanne à vide VU07 à 3 voies. Et OLK vous offrira le meilleur service après-vente et une livraison rapide.

L'électrovanne à vide VU07 à 3 voies est disponible avec commande pilote interne ou externe. Le corps de la vanne est en alliage d'aluminium avec un bleu et conçu avec un grand alésage pour une capacité de débit élevée.

Il convient au fonctionnement sous vide (-100 kPa) ainsi qu'à faible pression positive (0-0,5 MPa).

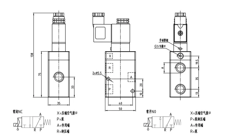
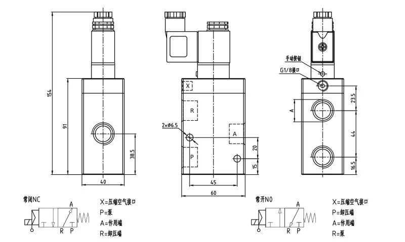
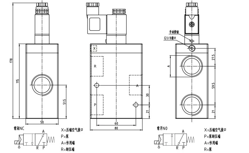
Les tailles de ports filetés (P, A, R) sont disponibles en G3/8, G1/2 et G1, avec le port d'air comprimé (X) en G1/8.

Principales applications

L'électrovanne à vide à 3 voies est principalement utilisée dans : les unités de puissance sous vide, les palettiseurs d'aspiration, les robots, les mangeoires, les dispositifs d'ouverture de sacs. Et d'autres applications qui nécessitent une commutation rapide entre l'aspiration sous vide et l'atmosphère, permettant une récupération rapide à la pression atmosphérique.

VU07 Électrovanne à vide 3 voies Caractéristiques :

·Grande capacité de débit

·Convient pour une utilisation sous vide et basse pression (vide : –100 kPa, basse pression : 0–0,5 MPa)

·Disponible en types normalement fermés (NC) et normalement ouverts (NO).

· Pilote interne ou commande pilote externe en option

VU07 Électrovanne à vide 3 voies Symbole

Code de commande

VU07

02

11

-

D2448

W

Modèle:

Taille du port :

Contrôle:

 

tension:

Type de pilote :

Électrovanne à vide série VU07

02 : G3/8

11 : Électrique

 

D2448 : DC24V 4,8 W

Vide : Pilote interne

 

03:G1/2

31 : Aérien

 

A22060 : AC220V 6VA

W : Pilote externe

 

05:G1

 

 

 

 

 

Modèle

A

Débit maximum (m³/h)

Vide (Min:mbar--Max: abs)

Temps de réponse (msec) Sous tension

Temps de réponse (msec) Hors tension

Port

Surface portuaire (mm²)

X Pression de commande (bar)

Poids (kg)

VU07 02 11

G3/8

10

1 000   0,5

16

27

11.5

103.8

4-7

 

VU07 02 11

G1/2

20

1 000   0,5

16

40

15

176

6-7

 

VU07 02 11

G1

90

1 000   0,5

18

42

25

490

6-8



FAQ :

Quelle est la taille du filetage de la soupape à vide VU07 ?

VU0702 : G3/8 ; VU0703 : G1/2 ; VU0705 : G1


Quelles tensions sont disponibles pour l'électrovanne à vide VU ?

L'électrovanne à vide VU est disponible en DC24V 4,8W et AC220V 6VA.


Quelle est la taille du port d’air comprimé de la valve VU ?

Tous les ports d'air comprimé sont G1/8.


Que signifie l'unité de débit de fuite "Torr·L/s" ?

"Torr·L/s" est une unité courante pour la mesure du taux de fuite dans les systèmes à vide poussé ou ultra-vide.

Torr : une unité de pression (1 Torr ≈ 133,3 Pa)

L : litre (unité de volume)

s : seconde (unité de temps)

Ainsi, « Torr·L/s » indique la quantité de gaz (en Torr × litres) qui s'échappe par seconde, ce qui reflète les performances d'étanchéité d'un système ou d'un composant.


Y a-t-il un lien entre legénérateur de videet l'électrovanne à vide ?

1. Contrôle de l'alimentation sous vide

Le générateur de vide crée le vide à l'aide d'air comprimé, tandis que l'électrovanne à vide fait office d'interrupteur.

Lorsque la vanne est ouverte, le vide se connecte à la ventouse ou à la conduite de vide.

Lorsque la vanne est fermée, le vide est coupé.


2. Commutation rapide entre le vide et l'atmosphère

Pendant le prélèvement, la valve maintient le vide connecté.


Pour libérer la pièce, la valve passe à l'atmosphère, de sorte que la ventouse perd rapidement son aspiration.


3. Économie d'énergie

Dans les systèmes à économie d'énergie, l'électrovanne peut arrêter l'alimentation en air comprimé une fois que le niveau de vide requis est atteint, réduisant ainsi la consommation d'air.


4.Applications typiques

Palettiseurs aspirants

Lignes d'assemblage automatisées (contrôlées par PLC)

Systèmes de préhension pour robots


Balises actives: Électrovanne à vide VU07 3 voies, Chine, fabricant, fournisseur, usine
envoyer une demande
Informations de contact
Bienvenue sur notre site! Pour toute demande concernant nos produits ou notre liste de prix, veuillez nous laisser votre e-mail et nous vous contacterons dans les 24 heures.
E-mail
cici@olkptc.com
Mobile
+86-13736765213
Adresse
Route Zhengtai, zone industrielle de Xinguang, Liushi, Yueqing, Wenzhou, Zhejiang, Chine.
X
Nous utilisons des cookies pour vous offrir une meilleure expérience de navigation, analyser le trafic du site et personnaliser le contenu. En utilisant ce site, vous acceptez notre utilisation des cookies. politique de confidentialité
Rejeter Accepter